Персональный проект Александра Чижова, Иркутск 1998-2006Компьютерный журнал Cooler | скачать новые компьютерные игры | гаджеты | астрономия | обзоры программиста

2009 2008 2007 2006 2005 2004 2003 2002 2001 2000 1999 1998 

17 октября 1998
 N32
"Есть ли у вас кот? Отвечать: да, нет, частично."
( .из анкеты.)

 

Навешивание железяк на веб с выходом результата их работы в онлайн уже набирает обороты. Вернее, набрало. По-серьезному началось с видеокамер. Хотя те же фотографии со спутников - тоже по своему - вывод в онлайн результата работы камеры в космосе.
Надо сказать, что устройства, могущие преобразовывать необходимые физические величины и явления в цифирь сами по себе достаточно сложны, а их еще как-то надо увязать с компом. Ну, видеокамеры никто руками, конечно, не соберет, а вот например, термометр в реалтайме - можно. Что и было сделано моим хорошим знакомым здесь, в Иркутске. Теперь можно смотреть в он-лайне температуру воздуха в центре города. Адрес скрипта, который "крутит" страничку: http://cavs.irk.ru/term.htm
Вот небольшая история создания этой системы:

  • Где-то в начале 1998г. Возникла идея.
  • 10 августа: начались разборки с PICом.
  • 17 августа: в 3 часа ночи термометр начал подавать признаки жизни.
  • 17 августа: в 4 часа ночи на скорую руку склепан CGI, опрашивающий датчик.
  • 17 августа: где-то в это же время появилась эта страничка.
  • 17 августа: 5 часов ночи - Сеть узнала температуру сервера.
  • 19 августа: час ночи. Датчик выкинули на улицу. Под дождь.
  • 20 августа: термометр показывает 45 градусов. Hачались разборки с солнцем.
  • 21 августа: из тары вырезан солнцезащитный экран.

 

Самое прикольное знаете что? :)) Ни за что не догадаетесь. Вот там написано "..датчик выкинули на улицу". А вот разделения-то как такового на датчик и АЦП  нет! Вот так.
Вообще, с микросхемой (преобразователем температуры в цифру) фирмы Dallas Semiconductor типа DS1620 я встречался и ранее, хотел ее применить сам, но автор странички с термометром у меня ее скоропостижно изъял и оказался первым в Иркутске ввв-градусником.
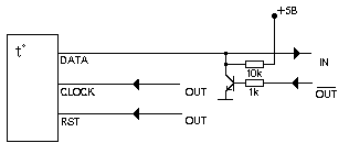
Сия микросхемка содержит в себе собственно, датчик, АЦП и некоторую логику для управления. Причем ноги с 5 по 7 используются вот для какой вещи: допустим надо автоматически поддерживать необходимую температуру в месте, где установлено устройство. Естественно, есть некий холодильник и/или нагреватель. В микросхему DS1620 заталкивается нужное значение температуры, на управляющие ключи холодильника/нагревателя подключаются ноги 6 и 7 (сигналы понижения и повышени температуры) и - все! Микросхема превращается в автономный термостат, не требующий более никакого лишнего процессора или вмешательства извне. Но это - фича. В данной ситуации она не нужна. С микросхемы попросту берутся данные в виде цифрового кода (по двухпроводной линии (кроме тактирующей линии)) и заводятся в комп.
Ну, в общем, схему управления можно представить вот таким образом, как показано на рисунке. Я не буду вдаваться в подробности, скажу лишь, что управление на программном уровне такой штуки - дело муторное, но разрешимое, конечно. А если есть опыт, то тогда - достаточно простое. (Если кому очень интересно, я могу дать е-майл энтузиаста - он все объяснит в деталях, и даже программами поделится - он добрый :)).
Характеристики микросхемы-термометра: границы измерения: от -55°C до +125°C с точностью 0.5°C (при таком разбросе крайних значений - впечатляет!). 9-битные значения с АЦП. Скорость преобразования - до одной секунды.
Как цифра вводится в комп уже не так интересно. По последовательному порту или даже по ВВ55-й. CGI-скрипт опрашивает, допустим, раз в секунду и выдает нам, сюда, в сеть. Всех делов :)
Единственный недостаток, кстати, у микросхемки: как-то непродумали разработчики то, что микросхема сама является и датчиком, и электронным компонетом. Причем, в пластмассовом корпусе с обычными, лужеными и ничем не защищенными ногами. Приходиться изголяться - заливать в эпоксидку, заматывать и пр. и пр. Потому как на открытом воздухе ноги у микросхем от вредных воздействий имеют дурацкую привычку коррозировать и отваливаться.

 

Ну, а теперь, результаты с анкеты, предложенной Вам в предыдущем номере. (Хочу предупредить, что в предыдущем номере ее уже нет - все уже подсчитано)
Во-первых хочу поблагодарить всех, кто откликнулся на мою просьбу и на просьбу ведущего "коротко" на "Их бин БэТэ". Я сравнивал показатели статистики на разных этапах голосования и скажу, что чем больше голосов, тем лучше распределение получилось. Причем в одном пункте анкеты оно даже оказалось разным (в середине и в конце)! Так что еще раз спасибо каждому.
Я согласен с тем, что анкета получилась не всеохватывающей - всего не объять, да и Вам думаю не было бы кайфа выбирать, скажем сотни из двух пунктов. Потом.... да, приведу сначала письмо:

From: andergnh@chat.ru (Alexander Anisimoff)
Subject: os/2
hi

а почему в опpосе отсутствуют кодеpы/декодеpы под ось?
что за md: теppа, кулеp, кто следующий пpоигноpиpует os/2?

wbr,
Alexander Anisimoff

 

А можно еще было спросить почему я не сравнивал кодеки и проигрыватели под юникс. Или аппаратные от Audioactive. Ну, что ж, они попали в категорию "другие". Чтоб сравнивать под полуось, надо по крайней мере знать и любить ее.А говорить про полуось ничего не буду - столько копий уже сломано...
А теперь, собственно, результаты. Сначала приведу таблицу:

Всего нажало кнопочку "ГОТОВО" - 777 человек.
Абсолютное число отметивших 
отдельный пункт и процентное 
отношение их к общему количеству 
Из каждой категории считают,что
MPEG формат уступит место
другому - лучшему:
Слушаю только CD  38 5% 9
Из MP3 слушаю
только с битрейтом
не ниже 256кбит
 78 10% 13
Слушаю МР3 и с
битрейтом ниже 256кбит
589 76% 99
 
Считаю, что МР3 как
формат умрет, уступив место
лучшему
135 17%
общее количество
из тех,кто
слушает только
256кбит
из тех, кто
слушает 128кбит
Winamp..676 87%
NAD..... 91 12%
Sonique. 87 11%
K-Jofol. 57 7%
Yamaha.. 32 4%
Winplay. 15 2%
Unreal... 7 1%
.другой. 58 7%
70
17
3
2
5
1
2
6
538
67
75
50
22
13
4
43
FhG......  262 34%
L3enc....  219 28%
Xing.....   73 9%
plugger..   19 2%
SoundLimit  21 3%
Ulead....    6 1%
VQF......   65 8%
.другой... 133 17%
34
24
5
0
4
0
8
16
204
173
62
17
16
4
51
101
JukeBox.....  48 6%
Audiograbber 134 17%
Wdac........ 241 31%
Cdda........ 117 15%
Cdgrab......  59 7%
Audioactive.   5 1%
.другой......133 17%
4
13
33
14
10
0
11
41
109
183
94
45
5
110
 
Чего хотелось бы видеть в первую очередь в разделе "один MP3"
13% Dead Can Dance.
23% Ennio Morricone
15% Kraftwerk......
5% Seal...........
9% Arabesque......
2% Samael.........
4% Death..........
15% .вообще.ничего.

Вот такие, в принципе, вполне ожидаемые результаты. Тех, кто слушает MPEG с битрейтом от 128 - большинство. Логично. Иначе, зачем тогда MP3 придумывали? К тому же 128kbps - достаточно хороший компромис между качеством и размером файла. Интересен результат ответов на вопрос о будущем МР3 как формата. Каждый пятый высказал надежду за то, что он должен вытесниться чем-то лучшим. Причем, процентное соотношение к категории тех, кто слушает 256kbps_only точно равно к тем кто слушает и 128kbps. Т.е. поровну высказывались из обеих категорий.
В таблице результатов по проигрывателям, кодекам и грабберам я ввел две дополнительные колонки, показывающие, как распределились голоса по представленным программам в зависимости, как каждый человек голосовал в первом вопросе (256_only или 128_не_брезгую). Как оказалось, такое разбиение не лишено смысла. Видно, что Sonique пользуется большей популярностью чем NAD у 128_килобитников, и меньшей - у 256_килобитников.
Конечно, многие просто слушают и никогда не занимались оцифровками и кодированием, поэтому вполне логичным будет заметить, что количество проголосовавших разное, да и сказываются некоторые привязанности к тому или иному виду кодера или сдиральщика треков. С проигрывателями такого консерватизма нет. Я сам, например, использую 4 вида прогигрывателя, хотя граббер и кодек постоянно использую только один-два вида. В кодеках меня больше всего поразило, что кто-то еще пользуется кодеком Ulead. Хм.. уж лучше xing'ом тогда. А в названиях грабберов я видимо что-то проморгал. Пункт "другие" набрал достаточно большое количество голосов. Что-то я упустил.
 
Ну, и напоследок - самое интересное: распределение по музыкальным пристрастиям. Я не стал делать много пунктов в анкете, потому как голоса просто размазались бы, да и... все равно всего не учтешь. Постарался просто представить разные направления хотя бы на несколько вкусов. :)
Я тут посматривал на статистику пока велось голосование. Интересные вещи. Если со всеми прочими вопросами в принципе было все понятно сразу, то с музыкой творилось вообще, что-то невообразимое :)
Результат зависел от количества! Сначала вперед вырвались Arabesque, потом их начал поджимать и обогнал Kraftwerk, а в конце выяснилось, что нифига подобного! Давай скорее Ennio Morricone! Хорошо, хорошо, уже...
Насчет пункта "Вообще ничего не выкладывай в онлайн!" я думаю так: либо ни один из предложенных пунктов не подошел, и человек в сердцах даванул этот пункт, либо не устраивает качество выкладываемых файлов, что наиболее вероятно. Ну, что ж. Насчет качества согласен, только ведь канал-то не резиновый, чтобы выкладывать вещи в 256кб. Приходится чем-то жертвовать. Хотя забавляет одинаковая процентовка этого пункта с Kraftwerk'ом, что можно интерпретировать так: "ты либо ничего не выкладывай, либо Крафтверк!". Хе, а это мысль! :))
Я полагаю, что результаты анкеты достаточно показательны. Все это очень интересно. Спасибо еще раз каждому.


 
Ennio Morricone "For a few dollars more" - 1 (2.6Mb), ID3_tag, 128kbit, 44kHz, stereo, 16bit (l3enc)
Ennio Morricone "For a few dollars more" - 2 (2.5Mb), ID3_tag, 128kbit, 44kHz, stereo, 16bit (l3enc)
Композиция одна и та же, но в разном исполнении. Какая лучше - я не смог решить, обе по-своему хороши. Обе и качайте :)
В следующем номере будет Kraftwerk "Radioactivity".

 
http://www.homepage.techno.ru/barsic/hard.htm -Что? не тыкается? :)) А вот я специально ссылку не дал. Потому как туда ходить не имеет смысла, хотя такой адрес существует. А называется ресурс очень громко - "Все о железе". Ага! только автор приколистом оказался :) Он подошел к названию буквально - о Ferrum'е и написал, какие соединения бывают, описание химического элемента и пр.
Нафига? А вот. Зато в первых строчках Рэмблера в разделе Hardware. При том, что о железе в уже привычном нам с вами смысле слова ничего нет. Ни строчки.
А делается просто: на страничке размещается КУЧА ключевых слов типа "материнские платы, процессоры, винчестеры, сидиромы..." и т.п. В META тэге KEYWORDS прописывается тоже самое и... все!
Честно? Нифига. Зато прикольно. С точки зрения автора. Чувства юмора разные бывают. 
Автор на страничке даже крик своей души выложил, что, мол, "перестаньте доставать меня письмами, это же прикол!".
Это ненадолго :)

А напоследок еще вот что. То что в разные гамы народ режется не только дома, но и на работе - это ясно, как день. Причем, ассортимент обычно ограничен достаточно простыми игрушками. И заметьте! Не аркадными, не экшн, не бродилки какие-нибудь :) А именно головоломки! Тетрис там или lines, или что-нибудь еще. Хотя ради справедливости надо сказать, что набор у дам один, а вот у джентельменов - другой. Что входит в джентельменский набор: Doom, Duke, SimCity, Warcraft, все виды карт от Windows. По возрастам разумеется, тоже есть деление. Старшее поколение любит больше что-то размеренное, где можно спокойно подумать, выбрать решение (хотя исключения есть - сам видел, как мужик под полсотни лет до потери пульса и до появления детского блеска в глазах просто напропалую резался в Knightmare - чистейший экшн-аркада!). Ну, а наше поколение, само-собой выбирает думо-дюко-кваки. У дам еще проще - они более консервативны. У меня есть такое подозрение, что на всех компах, где работают женщины, в железняк стоит или lines, или tetcolor что ли какой. Это уже стало такой женской принадлежностью как пудреница в сумочке :) Собственно, я вот о чем: о новом Lines 4, который может сыграть роль еще одной бомбы по уничтожению рабочего времени в учреждениях :) Лежит на www.freeware.ru, причем со сменными скинами. (Кстати, сейчас мода что-ли на скино-одевание программ пошла?) Можно скачать и у меня. (1.5Mb вместе со скинами). Под Winдузу. Красиво сделано, зарраза! :) 
Только ленивый сейчас не пишет чего-нибудь о кризисе...
...я и не пишу... :)
prev

[ Архив+поиск ]-[ все комментарии ]-[ Жизнь ТАМ ]
[ Хакеры ] [ Журнал WebSound ]
[ обзор книг ] [ mouseimp ] [ биржа труда ] [ Ссылки ]
[RSS feed simple]    [RSS feed simple 2]    [RSS feed complete]

next

это мой е-майл Боря делал дизайн