Персональный проект Александра Чижова, Иркутск 1998-2006Компьютерный журнал Cooler | скачать новые компьютерные игры | гаджеты | астрономия | обзоры программиста

2009 2008 2007 2006 2005 2004 2003 2002 2001 2000 1999 1998 

prev 12 марта 2001

next

"- Hужна пpогpамма, котоpая, гpубо говоpя, делает следующее:
есть кусок ДВП и pазные плоские фигуpы
нужно pазместить эти фигуpы на ДВП в максимальном количестве,
либо опpеделенное кол-во с минимумом отходов.

- Тетpис.
"

N240

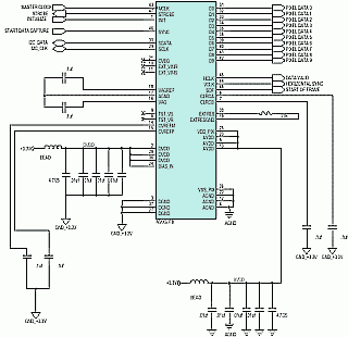
Компания Motorola выпустила весьма привлекательный чип, который, вероятно будут встраивать везде, где возможно, как теперь это происходит с чипами для Mpeg аудио (к примеру, старый MAS3507).
Самое ценное то, что соотношение цена/качество очень высокое потому что, и параметры чипа замечательные для его ранга, и цена низкая - около $23 :). Судите сами:

MCM20027 - 1280 x 1024 пикселов, 10fps наружу, выход в цифре, глубина по цвету каждого сенсора - 10бит. (Такие параметры по глубине даже у достаточно хороших фотоаппаратов не у всех есть).
Причем, сам сенсор (CMOS) располагается прямо на кристалле с ADC преобразователем. Я погладел на схемку - в принципе, хоть сейчас бери и программируй.

На сервере моторолы есть PDF-ка с детальным техническим описанием - внутри у чипа есть кроме сенсора еще различные регулировочные цепи и DAC, так что, не надо мудрить с выборками, преобразованием, хранением и пр. рутиной. Для полного счастья не хватает какой-нибудь сжималки. Например, в MPEG-4. Вообще, для этого дела вешается одна PPC (PowerPC Core 604) чипушка практически напрямую. А можно сделать недорогую камеру - добавить микроэвм, память и стандартный интерфейс (типа USB). Вполне в 70-80 долларов уместится. Кстати, Моторола вроде как даже обещает выпустить такой же чип, только со встроенным кодером.
Применение: ну, тут даже выдумывать ничего не надо. Этот чип будет просто бестселлером :) При его-то цене в $23(!). Во-первых - интернет камеры. Хоть у них бывает и 15fps но это при 640х480, а тут разрешение в 5 раз выше. В фотоаппаратах, конечно этот чип уже не будет применяться - ну разве что, в дешевых мегапиксельных, а вот для телефонии - очень даже подойдет. Тем более, с использованием современных методов сжатия видеосигнала.

помогал Igorx

Oomph! "Foil" (4.4Mb, 4:31min) 128kbps, 16bit, stereo, 44kHz,

from album "Unrein" (1998)

 

Стиль - Industrial.
У меня такое впечатление, что на творчество немецкой группы "Oomph!" оказала влияние группа Ultravox.

Да, и чуть не забыл - новость для любителей группы Amorphis. Недавно появился альбом "AM UNIVERSUM" и на официальном сайте есть из него две композиции в MP3 (128kbps) несколько урезанные (не сильно) - это у них называется "вариант для радио". Лежат здесь.

О, только я сказал в прошлом номере про игрушку DX-BALL, так сразу прислали ссылку на полный вариант (6Mb) и кучу "уровней". Ссылка рабочая, необходимо распаковать и последовательно запустить все EXE файлы.

за линк спасибоGaMMeRу

Я недавно где-то на новостных сайтах прочитал, что в Ханты-Мансийске власти придумывали всякие хитрости, чтобы автобусы в городе ходили более-менее периодически, а потом плюнули и купили систему слежения за транспортом в городе со спутника. Короче, там половина водителей сразу подали заявления об уходе, что озадачило(!) администрацию. Ладно. Это все необходимо для бесперебойной работы транспорта.
А я вот всегда мечтал стоя на остановке в ожидании автобуса или троллейбуса, что вот была бы такая система, которая показывала бы, сколько мне еще ждать-то стоять и чего ждать..

Возможно, нечто похожее и придумали сотрудники университета Вашингтона. С использованием сотового телефона как коммуникационного устройства, с WAP протоколом, конечно. Куда ж сейчас без него (без WAP, я имею в виду). А то вот как-то никак не могут придумать толком, что с этим WAP делать-то такого :) Ну, по интернету хорошенько я могу из без сотового пошариться, а сотовые компании должны что-то придумать, чтобы заманивать пользвателей на услугу WAP - иначе, я подозреваю, без особого спроса это так и останется мечтой непонятно о чем... К тому же, удовольствие не из дешевых.

Да. Насчет общественного транспорта, ходящего по расписанию, которого никто не знает. Насколько я понял, по идее разработчиков из университета, в колеса автобуса встраивается датчик, который посылает сигнал при каждом обороте колеса. В принципе, расстояния между контрольными точками известны, диаметр колеса и маршрут - тоже. Так почему бы не передавать информацию о количестве оборотов колеса в центральный пункт на компьютер и уже потом обработанную инфу - наружу через WAP протокол каждому пожелавшему через сотовый телефон получить информацию о том, где находится нужный автобус в данное время?

В городе Seatle (штат Вашингтон), если поглядеть на карту, такой сервис уже развит очень даже нехило. Вот по этому адресу и карта, и список автобусов, и маршруты, и где каждый находится, и еще разрисовано по улицам. Мечта студента, одним словом :)

На самом деле, применение WAP не ограничивается узнаванием местоположения автобусов. Это только пример еще одного полезного применения сотового телефона :) Т.е. сотовый телефон должен стать этаким связующим звеном между человеком и компьютером, который будет ему эту инфомацию предоставлять. Короче, фантазии хватит придумать, для чего использовать WAP.
Как там у Шекспира... "Есть много, друг Горацио, чего не снилось.." - ну и так далее.

По этому адресу можно скачать 13Мб видеоролик с демонстрацией новых возможностей ускорителя GeForce3 на примере вскорости обещанной версии игры DOOM 3. В описании к файлу написано буквально следующее: "Дж.Кармак демонстрирует некоторые фичи готовящейся к выпуску игры Doom с использованием GeForce3". (формат ASF)

Немного полезных ссылок.
1. начну с наиболее забавной, на мой взгляд.
На сервере linuxnews появилась заметочка о программе размером в 7 строчек на языке Perl, которая раскрывает DVD видеофайлы (т.е. выполняет ту же функцию, что и старый добрый DeCSS). Сам код программы можно поглядеть вот здесь. Очень уж сильно упаковано, конечно - сразу и не разберешь. Оптимизировали код жутко, но в 7 строчек создатели (два кадра из MIT) вложились :) Хотя, это и не самый короткий код. Самый короткий - 442 байта C код.

Вообще, этот DVD уже каким только макаром не крэкали. В интернете есть даже специальная страничка, где любовно собраны всевозможные методы распаковки DVD. На C, на Perl"e, схемки алгоритмов, и просто словами и картинками, даже на майке напечатали:

Впрочем, код на майке - это в общем, уже и не авангард даже, а вот там есть "DeCSS" в виде начитанного голосом текста (с выражением!) в виде файла MP3. Есть видеоролик, где титры в виде строчек кода уходят в даль космоса "а-ля звездные войны". И еще в виде поздравительной карточки от Yahoo с кодом алгоритма.

Короче, поимели защиту VOB файлов всеми возможными способами.

2. Снятие баннеров в ICQ. Не просто вычищение содержимого, а вообще, обход вызова соответствующей функции для вызова окна как такового.
Взять патчик можно здесь.
Валидно для версий icq-2000b.3278 и icq-2000b.3279

ссылки прислали: tMH и Alexander Oryol

Я так думаю, что для Аризоны ничего необычного. Ну, в других странах тополями заваливает, а здесь - вон только кактусы растут. Зато из них можно кактусовую водку делать. Или сорт не тот?
Правда, чтож это за удар такой, что задних колес не видно?

это мой е-майл Боря делал дизайн