Персональный проект Александра Чижова, Иркутск 1998-2006Компьютерный журнал Cooler | скачать новые компьютерные игры | гаджеты | астрономия | обзоры программиста

2009 2008 2007 2006 2005 2004 2003 2002 2001 2000 1999 1998 

prev 25 апреля 2002

next

выпуск посвящен схемотехнике
N 330

Очень интересный сайт по черепам (вернее, про черепа). Не по теме журнала несколько, но занятно, занятно...
Представлен научной калифорнийской академией.

Не, ну в самом деле, вы видели череп змеи? (кстати он на фотке как раз). А вот это что за зверь:

 


Совиная обезъянка.

Или вот этот алиен:

Там еще какие-то циклопы есть и вообще, черепа напоминающие какую-то вязь из косточек... В общем, не сразу и догадаешься... Есть трехмерные модели (грузить плагин), качественные фотки и объяснения (например, почему у черепов вот такое вот отверстие и с чего бы оно взялось в эволюции вида). Ну, и не менее интересная страничка - "черепа в культуре". В культурном наследие, т.с. :) Правда, маловато всего...

20

Книга Стивена Леви "Хакеры, герои компьютерной революции" переведена полностью и будет доступна постоянно на этом сайте.

Недавно я провел небольшое интервью с переводчиком, я не буду его здесь представлять в развернутом виде целиком, просто напишу основное (про что все давно спрашивают).

В PDF формате книга будет, переводчик ее готовит. В окончательном варианте будут еще авторские "Благодарности" и "Замечания". Их мало кто будет читать, но для комплекта - положено. Оригинал книги был взят в интернете. Где - переводчик уже не помнит, но это был самый удачный вариант - полный и отформатированный. Из исходного варианта была сделана книжка, с которой потом и работал переводчик.

"...Когда я прочитал первую главу книги, то понял - это мне нравится. Когда прочитал вторую, то решил для себя что этим, безусловно, стоит поделиться с окружающими, потому что такого я еще не читал. Это книга о немного другой Америке и немного других американцах. С другой стороны, в героях этой книги я находил много черт тех людей с кем мне самому приходилось сталкиваться. Видимо такие качества, как любознательность, живость ума, достаточно интернациональны. :) И это было особенно приятно.

Я получил много писем от людей, которые тоже вспоминали свою молодость, пусть и не такую далекую. Это перевод, в первую очередь, для них. Удивительное у нас время, мы еще молоды, но уже есть что вспомнить! :)

Были предложения написать русскую историю хакерства, кстати, абсолютно непаханое поле. :) Желающие могут дерзать. Причем, в каждом городе она будет наверняка своя и со своими героями.

- трудно было переводить?

Это не совсем художественная литература, хотя прямая речь тоже попадается. :) Смысл довлеет над действием: Леви пишет достаточно сжато, поэтому к переводу надо было относится внимательно. Кое-что приходилось адаптировать к русскому языку: предложения в один абзац - это читается не очень хорошо.

Были и некоторые технические трудности - имевшийся у меня на руках оригинал был отсканирован, потом обработан английским спеллчекером. Из за этого некоторые слова были искажены (sirius, например, иногда превращался в sinus) - "вроде бы мелочь, а неприятно..".

В работе над переводом убедился лишний раз, что сообщество - это сила. Там где отказывали Lingvo, Hacker's Jargon и Merriam-Webster (http://www.merriam-webster.com/ - рекомендую!) на помощь приходили внимательные читатели. Благодаря им я сэкономил гигантское количество времени на перелопачивание интернета и получил возможность заниматься собственно переводом. Надеюсь, что вложенный автором смысл я не исказил. Спасибо всем за помощь!"

Ну вот и все. :)

В разделе "Жизнь ТАМ" израильская страничка пополнилась еще один письмом. На сей раз - конец интернет и хайтек бума в Израиле таки наступил.

Новости раздела SOUND: (большое апрельское обновление)

- сайт экзотической музыки;
- полезные утилиты;
- впечатления о Sonique2;
- большое обновление в разделе программ;
- утилиты, кодеры, редакторы, конверторы; проигрыватели;
- свежая версия CoolEdit Pro v2.0
- Cubic player - обновление лучшего DOS проигрывателя MP3 - поддерживает полноценное проигрывание MP3 даже на 486 DX2-66;
- универсальный аудиоконвертор;
- трекерный софт;

 

Итак, почему нельзя раздавать интернет в штатах? Почему, подключившись на unlimited (и во времени и в трафике), провайдеры ограничивают пользователя сверху по трафику?

From: Max
Subj: оплата за соединение в США

Эээ, я что-то не понял, в америке что, за время платят, а такого понятия как"бакс за мегабайт" не существует? При чем здесь провайдеры? Им-то какая разница, каким образом я свой интернет использую?

Всё немножко не так :)
За байты платят только те, у кого спутниковый доступ (для отчаянных миллионеров :) Потому как после прочтения условий доступа слёзы на глаза набегают) - у них обычно есть ограничение на "эн часов ускоренного доступа" или "эн мегабайт в день". Но всё меняется постепенно.
Что до DSL/ISDN/Cable то там (пока) ограничений нет. То бишь можно крутить интернет радио 24 часа в сутки на 128к :) (чем я иногда и занимаюсь %) ) Крики от провайдеров бывают когда народ начинает активно делиться соединением. Большинство систем построенны для ассимитричного траффика -- 300к к провайдеру, 2мбит от провайдера. Согласно условиям предоставления сервиса нельзя ставить сервера. Обычно аргументируют тем, что они съедают всю полосу к провайдеру :) Некоторые провайдеры стали разрешать (точнее не запрещать) сервера, но у всех есть bandwith abuse, через которую пытаются прищучивать тех, кто съедает весь трафик :)

Потому как народ экономный.

Так что провайдеры поступили правильно в вышеописанной ситуации. Всем, кому можно (и есть техническая возможность) продают flat rate доступ в сеть, 2 мегабита вход, 300к выход (1.5 мегабита вход для DSL) за 45 баксов. Тех, кто используют оные 2/300 на полную мощность -- шлёпают :)

AOL Time Warner -- один из крупнейших кабельных провайдеров, сказала что по всей видимости с ноября месяца этого года начнёт брать дополнительные деньги за траффик :) То бишь как повремёнка в россии -- эн минут/мегабайт включено, всё что сверху -- отдельные деньги. Народ уже нервничает и дёргается на предмет переключиться в другое место :) Ну не любят тут повремёнку/побайтный отсчёт :) И если большая куча народу с визгом отключится то АОЛ-у прийдётся и дальше тянуть лямку 2-мегабитного интернета за 45 баксов в месяц ибо будут простаивать дорогостоящие стойки :)

Что до "дорогих" решений, то есть Т1 (мегабит, насколько я помню) за 350-400 баксов в месяц. :) В смысле оно всегда было. И будет. И траффик не считают и ограничений нет :) Кстати ещё дают "бизнес доступ" на кабеле -- тот же сервис, но в два раза дороже -- там ограничений тоже нет. Только народу же нужно за 40 баксов а не 400 :)

Аналогичные проблемы и с сотовыми провайдерами -- когда набирают кучу пользователей а потом начинают дергаться что кто-то использует купленное на всю катушку :) Про "проданных по самое нехочу" сотовиков я уже писал на своём сайте :)

п.с. у страха глаза велики :) Я не видел толпы историй от реальных пользователей, кричащих "меня отключили за то, что я смотрел на cnn.com по 30 раз в час!" :)

А, ну теперь понял ! :)
ситуация несколько анекдотичная. Наивные американцы ли, или просто веяние времени, но можно описать более приземленно: допустим, какая-то бензоколонка смотрит, что я заправляюсь раз в день на 20 баков. Она прикидывает и говорит - вот что, друг, давай ты будешь платить нам 400 баков в месяц - и заливайся каждый день в свою машинку.
О! "тут-то мне карта и поперла" Тогда у меня появляются аппетиты и я начинаю заправляться уже два раза в день - ну, просто начинаю ездить где ни попадя на халявном бензинчике-то. Тут-то они и начинают понимать, что их "где-то кидают"... :)

Да, кто-то наверное, очень наивный и не знает пословицы "аппетит приходит во время еды".

Да, вот интересное раскрытие темы насчет фонарика на светодиодах. Фишка в том, что у светодиода при ограниченном напряжении питания яркость будет падать очень заметно при небольшом снижении напряжения. А если хочется питать диод от одной батарейки 1.5В, то без электронного преобразователя вообще не обойтись, так как многие светодиоды при напряжении на них 1.5В просто не откроются.
Что делать? Есть очень хорошее решение. По идее, напряжение на достаточно емкой небольшой батарейке можно преобразовать в более высокое - пусть себе прибор забирает сколько надо тока, мощность ведь все равно останется постоянной. Конечно, преобразовательно будет вносить свою лепту в виде КПД, ну так что ж. Стандартный принцип - генератор и повышающий трансформатор, но есть и попроще...
Такие преобразователи называются StepUP DC-DC конверторами. Например, один из них - ADP1110 выпускает фирма Analog devices. (PDF этого чипа с сайта производителя я даже выложу у себя [400k] - там кстати, и схематика на нем есть готовая.)

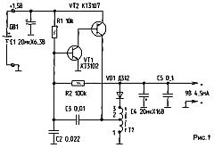
Один из читателей прислал фотки и схему конвертора. Схема рисованная от руки, очень простая, комментарии - там же, и я ее помещу отдельно крупным планом (15kb, GIF).

Дроссель, четыре сопротивления, диод и два конденсатора.
Сам преобразователь покупается в магазине (Чип и Дип, например), принцип работы основан на накоплении энергии на выходном конденсаторе. Стоит ADP1110 в районе $4.


ADP1110

Такие преобразовалели можно собирать и на рассыпухе. Схема и принцип работы очень толково описан здесь (1.5В -> 9В).


Схема преобразователя

Очень простая схема, но КПД невелик (в отличие предыдущей - на чипе ADP1110). Конечно, применение таких конвертеров не ограничивается утилитарным использованием в фонариках. Например, достаточно емкие пальчиковые батарейки можно применять вместо "кроны", да и вообще, любую батарейку приспособить для любого прибора - теперь не надо заботиться о величине напряжения :)
Между прочим, при такой схеме батарейка разряжается практически полностью при сохранении работоспособности прибора до конца. Это большой плюс. Т.е. вот еще одна функция - этакий StepUp стабилизатор.

схему, ссылки и фото прислал Алексей И.
(разработчик систем управления и мониторинга сети, ЦУС Комстар)

Dallas (сейчас Maxim) тоже выпускает подобные микросхемы, например MAX778, MAX856, MAX858. У MAX778 диод Шоттки уже внутри, навешивается индуктивность, два резистора и один конденсатор.

Набивши оскомину о часы с механо-светодиодным дисплеем я уж решил что все, хорош. Не-а. Расслабиться не дают.


Вот здесь - оригинальная страничка, где есть схемы,
фотки и пр. - все для умельца, короче
.

Я конечно понимаю, что с таким дисплеем можно всякие штучки разные учинять, но чтобы сделать их всего этого настоящий игровой автомат...


Тетрис

На страничке с громким названием "Virtual Game system" куча фоток, на которых изображены примеры того, что можно сделать с дисплеем на основе домашней механической развертки. Там есть схемки с натуральными PIC-ами, есть схемы, которые подключают все это механическое чудо к компу через RS-232 и т.п. В общем, рай для рукоделия.

Таким образом, эти две ссылки, наверное, охватывают весь спектр того, что может понадобиться.

 

В начале апреля в 325 выпуске я описывал irock!300w - радиопередатчик, который применяется для "связи" любого плейера с приемником УКВ. Основной упор делается на современные MP3-проигрыватели, которые можно использовать с этим прибором везде - подключай линейный выход к передатчику и слушай на большом приемнике (или в автомобиле). Стоит он что-то около $30.

Так вот, его можно собрать самому. Конечно, есть хороший чип - ВА1404 (FM Stereo Transmitter, PDF [450kb] - там же и схемы), с ним получается весьма несложная схемка. (BA1404 - 55руб., mitracon.chat.ru). Есть одна небольшая тонкость - даже в доке написано, что необходим кварц с частотой 38кГц (можно найти на www.quartz1.ru - 25р.).

прототип (стерео)

Разумеется, эта схемка неюзабельная - это я для примера привел. Там конечно можно в оригинале разобрать что написано - но зачем мучить себя. Вот фото самого прототипа:


под картинкой ссылка на большую

А вот письмо разработчика:

From: Алексей И.
Subj: приставка

Вот помнится в 325 номере Ты описывал приставку irock!300w. (ФМ микропередатчик). Интересная штуковина, очень полезная, но у нас фиг ее где найдешь, хотя девайс вполне востребованный, для многих эта тема актуальна. Есть аналоги, но их в России я тоже не нашел (может плохо искал). Если ее нет, а очень хочется - сделаем сами. Нашел очень интересную микросхему ВА1404 (FM Stereo Transmitter)
На ней очень просто строится FM передатчик, аналогичный описанному, только питается не от двух, а от одной батарейки :). Состряпал примерную схемку - заработала, причем вполне прилично. По качеству - как принимается обычная станция. Потребление - в описании микросхемки написано про 3мА. Частота - примерно 95 МГц (это как контур подкрутить). Расстояние - 2-3метра, хотя если надо больше - можно помудрить с выходным усилителем, с другой стороны - зачем, ведь проблема не в расстоянии, а в отсутствии линейного входа у радио и соединительных шнурков, она и решается.

За эту схему ему от всех огромное спасибо. Неоценимой нужности вещь. Вместе с антенной, корпусом и разъемом - баксов 10 получается.

Так, вот пришли схемы, я их выложу на отдельную страницу (схема + описание + специаифкации + калькулятор для построения катушек).

Раз уж зашла речь о схемотехнике и полезных самоделках, никак не могу пропустить сайт Rainbow Tech. Я сразу дал ссылку на раздел архива статей (русскоязычный сайт), где как раз описаны схемы на чипах далласа, винбонда и холтека. Статей немного, но статьи очень качественные. Всем, кто интересуется схемотехникой на сайт желательно сходить. Например, там есть подробное описание известного далласовского термометра DS1821, про который я уже всем плешь проел. Схемы, программы и прочее... даже таблица кодов для термометра есть. И microLAN там разобран немного - чтобы вообще двухпроводные устройства к RS232 подключать.
Еще мне понравилась статья по управлению светодиодными далласовскими дисплеями MAX6952, а программа, которая идет в подарок, не просто управляет дисплеем, а именно помогает понять, что куда пихать и зачем куда какой регистр нужен. Везде есть схемки. Проектирование зарядных систем - тоже статья прямо по чипу, который прменяется для контроля зарядки. Какие проблемы могут быть, как их решить и т.п.

это мой е-майл Боря делал дизайн