Персональный проект Александра Чижова, Иркутск 1998-2006Компьютерный журнал Cooler | скачать новые компьютерные игры | гаджеты | астрономия | обзоры программиста

2009 2008 2007 2006 2005 2004 2003 2002 2001 2000 1999 1998 

prev 8 мая 2003

next

5 лет в онлайне
N 415

5 лет исполнилось журналу 7 мая 2003 года. В 1998 году я даже и не думал, что буду так долго в онлайне. Более четырех сотен выпусков за пять лет... ну не так уж и много, но зато без пустышек (я надеюсь). Что еще... А, да у раздела websound, который теперь занимается всем-всем звуком (ведет его Алик из Техниона.il) тоже юбилей - 3 года ровно. До этого 2 года я обозревал звук сам, но все равно все не успевал. У него сейчас все по-порядку разобрано.
Дальше идут уже мои личные разделы, которые я все люблю:
"Жизнь ТАМ" - ему почти столько же лет, как и самому журналу. В нем я наконец сделал то что хотел - хоть какие-то цифры по раскладу жизни за границей. Вот ну нигде толком было не найти, сколько стоит снять квартиру, арендовать машину, компьютер купить, сколько получает компьютерщик и т.п. Нет, сколько получает, к примеру, горный инженер там конечно нет, но это уже для другого журнала. Наверное, для горного :)
"Рубрикатор" - это попытка собрать наиболее часто запрашиваемую информацию в одном месте, чтобы не рыскать по номерам. Там о фотошопе, флэше (редакторе), об устройстве сетей интернета, кое-какая схемотехника и по мелочи.
"Ссылки" - туда я помещаю линки на наиболее полезные и выдающие ресурсы интернета. Ну, например, меня не раз выручал сайтик одного шведа по распайкам коннекторов и кабелей, а сайт дизайн-студии vedi взять - там столько всяких полезных дизайнерских штучек в виде EPS-картинок.
Форум появился недавно - хотя его в общем, давно просили, но вот как-то все не попадалось более-менее подходящего с нормальным админом, чтобы занимался им серьезно. (ruforum.net)
Потом еще появилась книга "Хакеры, герои компьютерной революции", которая была впервые в России на русском языке выложена у меня на сайте в переводе А.Лукина (и я очень сомневаюсь, что лучший перевод может сделать кто-то еще)

Ну, и почти все 5 лет меня поддерживает лучший иркутский интернет-провайдер "Деловая Сеть Иркутск" (ДСИ), одной из основных ценностей которого - специалисты, осуществляющие там техническую поддержку. Кроме того, хочу поблагодарить Итальянских друзей, которые держат для меня домен cooler.it. Всего у журнала два адреса: cooler.it и cooler-online.com. Других адресов никаких нет и онлайновых зеркал тоже.

С некоторых пор загнулось FTP на arjlover и xradio. Вообще, у журнала столько FTP поменялось - я уже не все вспомню даже. С ними всегда проблема.
Поэтому, в спешном порядке разыскивается FTP-хостинг для websound и меня вместе. Гигабайта хватит.
Из-за постоянных траблов с FTP раздел "soft" находится в постоянном загоне. Хотя, с развитием интернета в России софта на его просторах столько, что можно ограничиться и ссылками.
Что еще... Ну, про раздел "что почитать" можно не упоминать - это в составе всего журнала скорее выглядит как хобби и к компьютерам и интернету не относится, разве что много ссылок на электронные книги в сети.

Ладно, перейдем к новостям :)

"Электронная бумага" - выполнена по технологии TFT, но сами "пикселы" сделаны из шариков с половинками разного цвета - черного и белого. Разный по полярности заряд на транзисторе (TFT) поворачивает шарик разной стороной к читателю. Экран очень тонкой и может изгибаться как угодно. Хоть в трубочку.
Кстати, мне сильно все это напоминает Gyricon, который еще 4 года назад вышел как разработка фирмы Xerox.

А, ну да, вот здесь об этом подробнее говорится. Начиналось все в M.I.T. Media Lab, потом все переехало в E Ink Corporation.

Только что-то долго они телятся - сколько времени прошло, а никак не могут в широкую коммерцию запустить :)

На DivX.com можно скачать готовую программу, которая поможет без особых затей сжать в MPEG1/2/4 все что угодно - от файлов до живого видео-потока с TV-карточки или DV-камеры.

Dr. DivX 1.0 beta (15-дневный триал) [5.7 Mb], встроенный кодек DivX Pro 5.0.5

Позволяет: кодировать в MPEG1/MPEG2/MPEG4, заворачивать в AVI, WMV, понимает фильтры от VirtualDub, Auto-crop, Auto resize, Auto de-interlace, возможность работы в пакетном режиме.

Microsoft собирается ввести в будущие версии ОС поддержку DVD+RW/-R/-RW/-RAM форматов для DVD приводов. Видимо, в компании кому-то наконец надоело, что запись на болванки производится с помощью сторонних программ.
Да, установив наборчик DirectCD от Adaptec, можно обращаться с CD-RW/-R дисками через формат UDF, но это несколько не то, как вы понимаете. Хотелось бы, чтобы работа с дисками была "прозрачной" для всех приложений на всех компах.

cnet

Новости раздела SOUND (от 25 апреля):
- о "синтезе" звука (шарманка на колесах, видео и звук прилагается);
- обновление ПО;
- полезные ссылки;
- трекерная музыка;

Полгода назад я писал об эмуляторе LG-oke дисков фирмы LG, для которых обычно нужен специальный комбайн и телевизор. Версия LGoke обновилась на сайте разработчика. У него можно прочитать все подробности. Можно просто скорпировать фирменный диск с karaoke на винт и играть его образ у себя на винте с помощью программы.

На 3Dnews уведел новомодную Motorol'овскую штучку, о которой уже слышал:

Аналогия с домашним радиотелефоном - сколько приносит удобств беспроводная трубка внутри квартиры - вот как раз точно так же действует IMfree, которая работает в небольшом радиусе действия от базы, которая в свою очередь подцеплена к компу. Аккумулятор обеспечивает 4 часа автономной работы.

Стоит $100.

IBM собирается вскоре побить рекорд NEC-овского самого быстрого компьютера (Япония, симулятор Земли, 35 терафлопов). Рубеж в 1 петафлоп (1000 терафлопов) будет пройден с помощью суперкомпьютера под названием Blue Gene/P. Он будет состоять из 0xFFFF блоков, каждый из которых будет иметь один чип, который, в свою очередь будет иметь в себе два процессора, четыре взаимодействующих математических движка (сопроцессора), 4 Мб памяти и коммуникационную систему для пяти отдельных сетевых соединений.

Управлять всем этим по сути дела, кластером, будет Linux.

Это еще не говоря о том, что намечается ASCI purple, который будет использоваться NASA для эмуляции ядерных испытаний (100 терафлопов) и Blue Gene/L (360 терафлопов) для социального моделирования. ASCI purple достаточно скромный - 12544 Power5 процессоров (196 х 64 проц.), 50 терабайт памяти, 2 петабайта дисковый массив. Весит правда около 200 тонн, занимает два баскетбольных поля и кушает 4.7 мегаватта энергии.

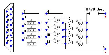
"Аудиомикшер через гейм-порт" - небольшая схемка, а главное - программка, которая управляет всем этим богатством. Для чего это нужно: чтобы регулировать уровни громкости не прогаммным способом, а ручками. Ручки (в смысле ругуляторные) можно вывести поближе к клавиатуре, чтобы было удобно (или прямо в саму клаву встроить). Кнопки - это "mute". Ну и все.

Краткое описание схемы найдете по ссылке, которую я дал, программку скачаете там же.

Сервер atronet.ru может предложить Атлас Гевелия. Что в нем особенного? Да он выпуска 1690 года. А сам атлас был составлен в 1400 году. Содержит координаты более 1000 звезд. Кроме того, уже в то время астрономы могли изверять наклонение эклиптики к экватору, величину годичной прецессии и продолжительность тропического года.
Эта книга - просто один из астрономических-литературных памятников.

Citrix MetaFrame v1.0 FR3 Keygen. Выложил у себя. [40 kb]. Вдруг кому пригодится.

Если видите флэшку внизу, то могу сообщить, что идея, высказанная мной два года назад насчет TermenPad (это я ее так обозвал) вызвала отклик у одного из читателей и он таки сделал ее. Вскорости обещал прислать фотографии и видео. Ждем с нетерпением.

Конкретная выхлопнушка...

это мой е-майл Боря делал дизайн