Персональный проект Александра Чижова, Иркутск 1998-2006Компьютерный журнал Cooler | скачать новые компьютерные игры | гаджеты | астрономия | обзоры программиста

2009 2008 2007 2006 2005 2004 2003 2002 2001 2000 1999 1998 

prev 5 марта 2004 next

"Праздничный набор конфет для программиста "Мышка на сервере"
N 478

 

 

FM-передающий модуль, подключаемый к компу посредством USB и выступающий в роли USB-колонок для ОС. Логично. Т.е. это и есть, собственно, колонки, только излучают не в звуковом диапазоне и не амплитудной модуляцией, а FM в диапазоне от 107 до 108 МГц. Ну, в общем-то, и все. Частотный спектр звука ограничивается сверху 15кГц, обусловленных FM.

Зато работает под всеми ОС, для которых в принципе есть драйвера для USB-колонок. Т.е. Mac OS, все Windows, и я так думаю, что и для Linux что-нибудь найдется. (размеры: 12 х 7,5 х 2,5 см)

ссылку прислал Igor

Где-то раз в год-два выплывают разработки супер-технологий, позволяющие хранить необъятное количество мегабайт на носителе размером с почтовую марку. Обычно такие сообщения приходят от совершенно неизвестных компаний и поэтому отношение к пресс-релизам очень скептическое, еще усиливающееся от того, что после подобных заявлений больше ничего не слышно.
Следующий прототип, который носит название Info-MICA drive, тоже заявляет о больших емкостях, но вот отсылка на NT&T на сайте внушает доверие.

Итак, что предлагает MICA (Multi-layered Imprinted CArd): тонкопленочную голограмму, которая основывается на нескольких слоях полимера, в каждом из которых отпечатана информация. Считывание происходит с помощью п/п лазера, который освещает выбранный торец слоя, а потом отображенная 2D картинка считывается и декодируется. На рисунке ниже показан весь процесс. Анимацию на флэшке можно поглядеть на оригинальном сайте.

Вообще, MICA имеет слоистую структуру: слои с высоким преломлением разделены слоями с низким преломлением, поэтому принцип конструкции напоминает работу фибер-оптики.
На сегодня прототип MICA имеет емкость 1Гб, которые распределены по 100 слоям (по 10Мб каждый), однако, разработчики утверждают, что к массовому выпуску будет готова 10Гб модель. И массовый выпуск намечается только к 2005 году.
Ну, что ж, будем надеяться, что NTT не подведет и мы увидим достаточно дешевый (как утверждается, дешевле $100) безмеханический накопитель на голографическом принципе.

ссылку прислал Pavel

Жидкие линзы от Philips:

Новация была продемонстрирована на выставке CeBIT в Ганновере (Германия) в этом году. Никаких механических частей (если не считать самих линз). Конструкция состоит из двух разных жидких сред - масла и особой жидкости, проводящей электричество, которая и позвляет изменять форму. Таким образом получается разная форма линзы.
Очень востребована в цифровых камерах, всяких эндоскопах и пр. оптических приборах. Детально почитать можно здесь.

ссылку приалал z-z-z-z

Новости раздела SOUND (от 7 марта):
выпуск N110:
- Штирлиц шел по Берлину. Вдруг сбоку и сзади раздались два взрыва. "Dolby Surround" - подумал Штирлиц;
- "слепое тестирование" на HydroGenAudio;
- VOCALOID от Yamaha - синтез вокальных партий;
- Aero Studio - трекер и синтезатор;
- Тестирование акустических систем. Как в условиях павильона магазина протестировать качество акустики?
- обновления ПО;
- трекерная музыка;

Обратите внимание на миниатюризацию плейера от Samsung:

Вес: 24 г, высота 5.4 см.

Весьма доходчивая статья со всем анамнезом претензий SCO к линуксовому миру. Веселуха. Позиция Novell'a меня порадовала.

"...этот случай в очередной раз демонстрирует, что сетевое сообщество уже срывается на кардинальные решения, а значит, готово отказаться от анархического принципа построения интернета..." - это кусок из статьи на сайте rambler о случае блокирования американским Comcast-ом почты из/в Россию.

Изготовление украшательства "Angel Eye" (как у BMW) на фары из двух светодиодов и шестигранной пластмассовой палочки от жалюзи:

Все по шагам описано на студенческом сайте Вашингтонского университета. Очумелые ручки по-американски :) Стоимость - копеечная.
Подойдет для "испуганых" мерсов или для жигулей с круглыми фарами :)

ссылку прислал Andrei

Не забудьте заглянуть в галерею на сайте, посвященному снимкам телескопа Хаббла (который в космосе на орбите висит). Есть весьма интересные снимки в разделе Showcase - отдельно по категориям: солнечная система, звезды, галактики и "экзотика" :)

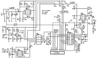
Частотометр на основе PIC:

Схема, прошивка, пояснения. В принципе, в сети есть подобные проекты, но вот прошивок для PIC'a особо даром никто не стремится раздавать. Здесь - полный сервис.
Кроме частотометра (с весьма хорошими параметрами, между прочим), есть LC-метр. В нескольких вариантах. Для радиолюбителей - самое то.

ссылки прислал Алексей

Произведение фирмы Canopus:


USTV-1

простейший "переходничек" TV-USB :) USB 2.0, картинка 640x480, питается прямо от USB, пакует видео в MPEG-2.

еще один из множества, "конец интернета". end.com.

ссылку прислал Денис

Offline версия журнала: варианта будет всего два (ну нет смысла больше дробить). Подробнее о содержании читать здесь. Определилась цена.

Сайт "деревянных дел" мастера

Сходите по ссылке (под картинкой) - там есть еще не менее достойные экземпляры. Это его дом, насколько я понял - там вообще, все из дерева: скатерти, абажуры, посуда и пр.

У него же есть и водоплавающий автомобиль. Ну, деревянный автомобиль очень легко сделать водоплавающим :) Только сначала надо сделать автомобиль деревянным :)

ссылку прислал Pavel

это мой е-майл Боря делал дизайн